数字信号处理实验虚拟仿真项目
时间:2025-04-29 来源:未知
责任编辑:wyx 点击: 次
数字信号处理实验虚拟仿真项目
以下对列表中的每个虚拟仿真课程资源背景、虚拟仿真的特色、实验内容、实验效果和学生反馈做概括介绍。
按序号给出如下关于虚拟仿真实验的描述:
1、《信号发生实验》---- 实验地点:海韵园实验楼304
(1)实验项目介绍
该实验为仿真验证性实验。使学生掌握信号的基本概念,以MATLAB仿真为基础,并结合DDS信号源的直观认识,掌握信号发生的基本方法,相关仪器的使用,从而为后续课程打下基础。
MATLAB的图形数据可视化及符号运算功能,是信号可视化仿真的有力工具。MATLAB用两种方法来表示信号,一种是用向量的方法来表示信号,另一种则是利用符号运算的方法来表示信号。利用该工具绘制基本连续时间信号和离散时间信号,帮助学生初步建立起信号的概念。
在MATLAB虚拟仿真的基础上,硬件实验平台采用DDS信号源同DSP器件相结合的方式,信号选择灵活方便。信号观察则采用真实示波器跟虚拟仪器相结合。通过此节学习,学生能够进一步了解信号源的操作和使用。
(2)虚拟仿真特色和虚拟仿真手段达到的互动效果、程度
该实验虚实结合,以MATLAB仿真为基础,同时辅助以硬件实现。帮助学生实现完整的从理论到实际的知识体系结构,即了解了高级语言的编程方法,又掌握了相关硬件及测量仪器的使用,克服了以往单纯的MATLAB仿真,而缺乏实物认识的缺陷。
(3)实验内容
系统掌握利用MATLAB进行信号分析的基本方法、原理及实现过程。掌握绘制单位阶跃信号、实指数信号、单边指数衰减信号、正弦信号、复指数信号、虚指数信号等的连续和离散表示。
DDS信号源操作区示意图如图1所示:
图1 信号源操作区示意图
信号源部分的各个元器件介绍:
J702: 波形选择开关(正弦波、三角波、方波、扫频、半波、全波)
K701: 信号输出选择开关,当开关置于“函数”位置时,输出三角波、正弦波、扫频、半波、全波等信号;当开关置于“脉冲”位置时,输出脉冲信号。
W701:信号幅度调节旋钮。
TP701:点频信号测量点。
TP702:函数信号输出测量点,信号默认的输出频率为2K。
SW704:点频输出选择,选择不同的组合,可以输出不同频率和占空比的脉冲,地址开关拨到上面为“1”,地址开关拨到下面为“0”。
S705: 频率和占空比“+\-”切换按钮:
I、 S705弹起时,按下频率调节按钮频率减小;
II 、S705按下时,按下频率调节按钮,频率增加;
III、S705弹起时,按下占空比调节按钮占空比减小;
IV、S705按下时,按下占空比调节按钮占空比增加。
S701、S702、S703:频率调节按钮;按一次S701按钮,输出信号频率增加或减小100Hz,按一次S702按钮,输出信号频率增加或减小1KHz,按一次S703按钮,输出信号频率增加或减小10KHz ;
S704: 占空比调节按钮,输出信号默认占空比为1/2,每按一次此按钮占空比增加或减小1/8,最小占空比为1/8。
P101: 模拟信号和毫伏表测量输入插孔,做实验时需把它同P702相连,此时可测得输出信号有效值,也可把外加信号送至此插孔测量其有效值。
DSP波形产生原理框图如下图所示:
1按下电源按钮K101,此时K101内的指示灯亮起;
2.按下复位按钮SW702,DSP复位,此时程序号显示数码管显示“0”;
3.按下SW701按钮,选择程序号为“1”;
4.分别将K801、K802置于左侧;
5. 按下SW101按钮选择DSP工作的程序,当程序号模块显示“7”时,即可以进行虚拟仪表实验;
6. 运行虚拟仪表.exe,进入“虚拟仪表实验平台”;
7. 连接P702和P101将脉冲信号送入DSP模块;
8. 在“虚拟仪表实验平台”上点击“采集信号”按钮,此时输入信号将显示在虚拟仪表实验平台上。
9. 调节输入信号频率和幅度观察,虚拟仪表实验平台上的信号变化。
10.将输入信号经过一阶RC电路后,送入DSP模块;
用示波器和虚拟仪表分别测量正弦函数信号、指数函数信号、指数衰减振荡函数信号、抽样函数信号、钟形函数信号的波形。
(4)实验效果
MATLAB仿真的信号波形可以很直观的观察







在虚拟仪表界面的左边是测量的信号波形,横坐标为时间(单位为毫秒),纵坐标为信号的幅度(单位为伏特)

图2 输入方波信号

图3 信号通过一阶RC电路输出波形
(5)学生反馈
通过实验,学生学到了更多理论课上不能学到的知识及技能,实验动手能力也得到了进一步地提高,在实验过程中也培养了我良好的实验素养,能够按照规范的流程使用仪器。遇到困难也会根据自己所学的理论知识寻找解决方法。
2、《采样及重构实验》---- 实验地点:海韵园实验楼304
(1)实验项目介绍
在许多应用中,需要把现实世界的模拟信号,经过采样和量化运算(ADC)变成离散信号。离散时间信号经过数字信号处理器处理后,再通过重构运算(DAC)恢复出模拟信号。这一过程的理论基础是奈奎斯特采样定理。实验采用MATLAB仿真帮助学生理解数学理论,并通过实际的抽样电路帮助学生更清晰的了解采样及重构的整个硬件实现过程。
(2)虚拟仿真特色和虚拟仿真手段达到的互动效果、程度
MATLAB作为数学运算工具可以很方便的对抽样定理的数学理论进行仿真,学生可以随时随地编写程序验证,不受时间空间限制。仿真为基础,同时辅助以硬件实现,对实际的抽样信号也有了直观的理解,并通过设置不同的采样频率,观察重构信号,从而更加深刻的理解奈奎斯特抽样定理。
(3)实验内容
将连续信号用周期性矩形脉冲抽样而得到抽样信号,可通过抽样器来实现,实验原理电路如图4所示。
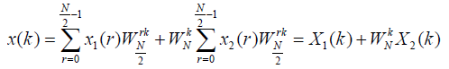
2. 连续周期信号经周期矩形脉冲抽样后,抽样信号的频谱

它包含了原信号频谱以及重复周期为fs(f s =
、幅度按
Sa(
)规律变化的原信号频谱,即抽样信号的频谱是原信号频谱的周期性延拓。因此,抽样信号占有的频带比原信号频带宽得多。
以三角波被矩形脉冲抽样为例。三角波的频谱
F(jω)=
抽样信号的频谱
Fs(jω)=

式中
取三角波的有效带宽为3
作图,其抽样信号频谱如图5所示。

图5 抽样信号频谱图
如果离散信号是由周期连续信号抽样而得,则其频谱的测量与周期连续信号方法相同,但应注意频谱的周期性延拓。
3. 抽样信号在一定条件下可以恢复出原信号,其条件是fs≥2Bf,其中fs为抽样频率,Bf为原信号占有频带宽度。由于抽样信号频谱是原信号频谱的周期性延拓,因此,只要通过一截止频率为fc(fm≤fc≤fs-fm,fm是原信号频谱中的最高频率)的低通滤波器就能恢复出原信号。
如果fs<2Bf,则抽样信号的频谱将出现混迭,此时将无法通过低通滤波器获得原信号。

在实际信号中,仅含有有限频率成分的信号是极少的,大多数信号的频率成分是无限的,并且实际低通滤波器在截止频率附近频率特性曲线不够陡峭(如图6所示),若使fs=2Bf,fc=fm=Bf,恢复出的信号难免有失真。为了减小失真,应将抽样频率fs取高(fs>2Bf),低通滤波器满足fm<fc<fs-fm。
为了防止原信号的频带过宽而造成抽样后频谱混迭,实验中常采用前置低通滤波器滤除高频分量,如图7所示。若实验中选用原信号频带较窄,则不必设置前置低通滤波器。
本实验采用有源低通滤波器。若给定截止频率fc,并取Q=(为避免幅频特性出现峰值),R1=R2=R,则:
C1=
(4-1)
C2=
(4-2)


图7 信号抽样流程图
(4)实验效果
信号采样MATLAB仿真:

欠采样状态

过采样状态

临界状态
信号重构MATLAB仿真:

过采样状态

临界采样状态

欠采样状态
(5)学生反馈
通过实验,学生学到了更多理论课上不能学到的知识及技能,实验动手能力也得到了进一步地提高,在实验过程中也培养了我良好的实验素养,能够按照规范的流程使用仪器。遇到困难也会根据自己所学的理论知识寻找解决方法。
3、《快速傅里叶变换实验》---- 实验地点:海韵园实验楼304
(1)实验项目介绍
快速傅里叶变换(FFT)并不是一种新的变换,而只是DFT的一种快速算法。有限长度序列的DFT实现了对序列傅里叶变换的频率域采样,从而实现了信号在频域的离散化。DFT在信号的频谱分析中有着重要的作用。但是,由于直接计算DFT的计算量太大,与变换区间的长度N的平方成正比,当N较大时,计算量太大,在FFT出现以前,直接用DFT算法进行频谱分析和信号的实时处理是不切实际的。而FFT的出现改变了这一问题,使得频谱分析真正得到应用。
(2)虚拟仿真特色和虚拟仿真手段达到的互动效果、程度
运用MATLAB分析DFT及FFT,比较快速算法的计算量,自行编写FFT算法,同MATLAB自带的FFT函数进行比较。同时,由于FFT是实践性很强的算法工具,所以仅仅用仿真理解算法的数学基础是不够的,利用DSP处理器实现FFT是本实验的另外一个部分。学生在完成实验后,对基础数学理论有了理解,并具备了工程应用的能力。
(3)实验内容
FFT的原理和参数生成公式

由于我们在计算DFT时,一次复数乘法需要用四次实数乘法和两次实数加法,一次复数加法则需两次实数加法。每运算一个X(k)需要4N次复数乘法及2N+2(N-1)=2(2N-1)次实数加法。所以整个DFT运算总共需要4N^2次实数乘法和N*2(2N-1)=2N(2N-1)次实数加法。当N很大时,运算量是很巨大的,因而需要改进对DFT算法的运算速度。
根据傅里叶变换的对称性和周期性,我们可以将DFT运算中有些项进行合并。先设序列长度为N=2^L,L为整数。将N=2^L的序列x(n)(n=0,1,……,N-1),按N的奇偶分成两组,也就是说我们将一个N点的DFT分解成两个N/2点的DFT,他们又从新组合成一个如下式所表达的N点DFT:

利用这种方法,我们可以划分FFT的大小。程序流程图如下:

MATLAB仿真图形如下:

输入时域波形

输入频域波形
利用DSP处理器开发工具CCS的仿真功能,我们可以观察FFT波形:
输入时域波形:

输入信号频谱:

(4)实验效果
经过实验,学生不仅掌握了DFT及FFT的数学基础,并能运用到工程实际引用当中。
(5)学生反馈
通过实验,学生学到了更多理论课上不能学到的知识及技能,实验动手能力也得到了进一步地提高,在实验过程中也培养了我良好的实验素养,能够按照规范的流程使用仪器。遇到困难也会根据自己所学的理论知识寻找解决方法。
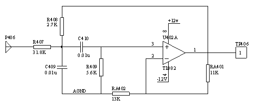
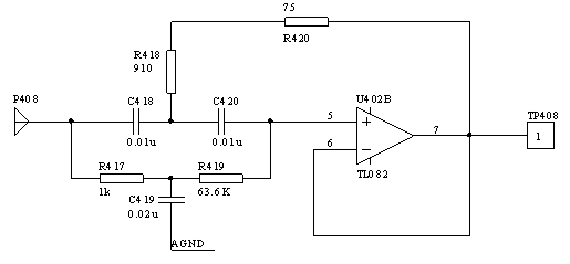
4、《滤波器设计及实现实验》---- 实验地点:海韵园实验楼304
(1)实验项目介绍
在对信号进行传输、检测及估计等过程中,都要广泛的使用滤波器。滤波器的作用就是把输入信号通过一定的运算变换成输出信号。本实验设计帮助学生熟悉滤波器的构成及其特性;学会测量滤波器幅频特性的方法。并掌握数字滤波器的指标确定及MATLAB下的设计方法。
(2)虚拟仿真特色和虚拟仿真手段达到的互动效果、程度
滤波器是一种能使有用频率信号通过而同时抑制(或大为衰减)无用频率信号的电子装置。工程上常用它作信号处理、数据传送和抑制干扰等。这里主要是讨论模拟滤波器。以往这种滤波电路主要采用无源元件R、L和C组成,随着集成运放获得了迅速发展,由它和R、C组成的有源滤波电路,具有不用电感、体积小、重量轻等优点。此外,由于集成运放的开环电压增益和输入阻抗均很高,输出阻抗又低,构 成有源滤波电路后还具有一定的电压放大和缓冲作用。但是,集成运放的带宽有限,所以目前有源滤波电路工作频率难以做得很高,这是它的不足之处。随着数字滤 波器的出现,滤波器的性能大大提高。系统的单位冲击响应h(n)能够从时域表征系统的特性。将数字滤波器按其h(n)的时间特性进行分类,可分为无限长脉冲响应数字滤波器(IIR数字滤波器)和有限长脉冲响应数字滤波器(FIR数字滤波器)。
(3)实验内容
模拟滤波器:
滤波电路的一般结构如下图所示。图中的
表示输入信号,
为输出信号。
假设滤波器是一个线形时不变网络,则在复频域内有
A(s)=Vo(s)/Vi(s)
式中A(s)是滤波电路的电压传递函数,一般为复数。对于实际频率来说(s=jω)则有:
A(jω)=│A(jω)│ejφ(ω) 3-1
这里│A(jω)│为传递函数的模,φ(ω)为其相位角。
此外,在滤波电路中关心的另一个量是时延τ(ω)
通常用幅频响应来表征一个滤波电路的特性,欲使信号通过滤波器的失真很小,则相位和时延响应亦需考虑。当相位响应φ(ω)作线性变化,即时延响应τ(ω)为常数时,输出信号才可能避免失真。
2.滤波电路的分类
对于幅频响应,通常把能够通过的信号频率范围定义为通带,而把受阻或衰减的信号频率范围称为阻带,通带和阻带的界限频率称为截止频率。
理想滤波电路在通带内应具有零衰减的幅频响应和线性的相位响应,而在阻带内应具有无限大的幅度衰减(│A(jω)│=0)。通常通带和阻带的相互位置不同,滤波电路通常可分为以下几类:
低通滤波电路:其幅频响应如图3-2(a)所示,图中A0表示低频增益│A│增益的幅值。由图可知,它的功能是通过从零到某一截止角频率
的低频信号,而对大于
的所有频率完全衰减,因此其带宽BW=
。
高通滤波电路:其幅频响应如图3-2(b)所示,由图可以看到,在0<ω<
范围内的频率为阻带,高于
的频率为通带。从理论上来说,它的带宽BW=∞,但实际上,由于受有源器件带宽的限制,高通滤波电路的带宽也是有限的。
带通滤波电路:其幅频响应如图3-2(c)所示,图中
为低边截止角频率,
高边截止角频率,
为中心角频率。由图可知,它有两个阻带:0<ω<
和ω>
,因此带宽BW=
-
。
带阻滤波电路:其幅频响应如图3-2(d)所示,由图可知,它有两个通带:在0<ω<
和ω>
,和一个阻带:
<ω<
。因此它的功能是衰减
到
间的信号。同高通滤波电路相似,由于受有源器件带宽的限制,通带ω>
也是有限的。
带阻滤波电路抑制频带中点所在角频率
也叫中心角频率。
图3-2 各种滤波电路的幅频响应
(a)低通滤波电路(LPF) (b)高通滤波电路(HPF)
(c)带通滤波电路(BPF) (d)带阻滤波电路(BEF)

无源低通滤波器

有源低通滤波器

高通无源滤波器

高通有源滤波器

带通无源滤波器

带通有源滤波器

带阻无源滤波器

带阻有源滤波器
数字滤波器:
在MATLAB下掌握数字滤波器的设计步骤:
A、 在设计之前,根据用途决定技术指标要求
B、 一旦技术要求确定之后,根据已学过的各种概念和数学工具提供一种滤波器的表述,使它接近于技术要求
C、 完成滤波器的设计
FIR数字滤波器的参数生成公式:
N阶有限冲击响应滤波器(FIR):

IIR数字滤波器的设计方法有两类:间接设计法和直接设计法。间接设计法是借助模拟滤波器设计方法进行设计的,先根据数字滤波器设计指标设计相应的过渡模拟滤波器,再将过渡模拟滤波器转换为数字滤波器。直接设计法师在时域或频域直接设计数字滤波器。
由 于模拟滤波器设计理论非常成熟,而且有很多性能优良的典型滤波器可供选择(如,巴特沃斯滤波器、切比雪夫滤波器、椭圆滤波器等),设计公式和图表完善,而 且许多实际应用需要模拟滤波器的数字仿真,所以间接设计法得到广泛的应用。而直接设计法要求解联立方程组,必须采用计算机辅助设计。在计算机普及的今天, 各种设计方法都有现成的设计程序(或设计函数)可供调用,例如利用MATLAB仿真平台,可以设计不同类型的IIR滤波器。
(4)实验效果
MATLAB下的数字滤波器设计工具:

DSP处理器开发工具CCS仿真结果:

输入时域波形

输入频域波形

滤波器输出时域波形

滤波器输出频域波形
(5)学生反馈
经过软硬结合实验,学生不仅能够掌握数字滤波器MATLAB仿真的设计方法,并能将设计好的滤波器加以实现,通过直观感觉确定滤波器的滤波性能。
5、《图像去雾实验》---- 实验地点:海韵园实验楼304
(1)实验项目介绍
伴随着人类工业化进程的不断推进,空气污染越来越严重,特别是雾霾天气在一年中所占的比例在逐年上升。雾霾天气往往给人类的生活带来诸多不便,而数字图像处理技术的发展使得雾天图像清晰化变得更加的有意义。本实验采用最常用的直方图优化技术进行图像去雾。
(2)虚拟仿真特色和虚拟仿真手段达到的互动效果、程度
图像去雾技术有着广泛的应用前景。MATLAB虚拟仿真的实验手段使得学生学习该技术时,更加的灵活自主,不受时空限制,能够充分发挥主观能动性,发掘新的算法所带来的更加的去雾效果。
(3)实验内容
本实验采用全局直方图均衡化、局部直方图均衡化算法来进行图像去雾实验,并选择Retinex增强算法来作为直方图去雾算法的延伸。并采用GUI设计软件通过菜单选择关联不同的去雾算法。通过显示处理前后的图像直方图来进行去雾效果的对比。
MATLAB通过函数imread读取RGB图像,并通过维数m*n*3的矩阵来表示。其中,m*n表示图像的行数、列数信息。维数3表示图像的R、G、B三层通道数据。全局直方图处理通过对RGB图像的R、G、B三层通道分别进行直方图均衡化,再整合到新的图像的方式来进行。
全局直方图均衡化增强只是将原图像的直方图进行了均衡化,未能有效保持原始图像的局部特征,容易出现色彩失真问题。通过选择固定尺寸的滑动窗口作用于原始图像来进行局部直方图处理,可以在一定程度上保持原始图像的局部特征,提高图像增强的效果。Retinex图像增强算法可以平衡图像灰度动态范围压缩、图像增强和图像颜色恒常三个指标,能够实现对含雾图像的自适应增强。
(4)实验效果
通过实验,学生进一步掌握MATLAB进行数字图像处理仿真的使用方法,GUI界面的设计和交互方法,了解和掌握图像去雾的基本原理和实现方法

Retinex算法去雾

直方图对比
(5)学生反馈
由于能够更加直观的看到虚拟仿真的结果,学生学习热情更加高涨,不断迸发出新的想法并将其加以实现和应用
6、《面向移动互联的用户可定制虚拟仪器平台》----实验地点:海韵园实验楼304
(1)实验项目介绍
随着MOOCs以及翻转课堂的逐步推进,传统的实验室仪器已无法满足学生实验条件便携化、口袋化、随时随地做实验的需求。而“互联网+”的行业发展趋势使得解决这一问题成为可能。
本项目创新性的利用互联网技术、异构多核嵌入式技术,借助开源软硬件平台,设计开发了一套基于Zynq处理器的面向移动Web应用的可编程,可自定义多种仪器综合集成的虚拟平台。该平台仅信用卡大小,可利用Wifi无线连接Android或iOS移动终端,实现测量数据及图形的Web可视化。该平台包含示波器、频谱分析仪及信号发生器,并支持Matlab,LabView,Python和Scilab等编程扩展,从而实现软件无线电等更多应用。
相对于传统仪器,该平台功耗低、体积小,同常用的手机、平板、笔记本电脑配合及可完成波形测量、频谱测量、信号发生等实验室常用设备的功能,实现实验室测量仪器的“口袋化”,同“口袋实验板”相配合,从而方便学生随时随地实验,真正做到“移动实验室”
(2)虚拟仿真特色和虚拟仿真手段达到的互动效果、程度
实验内容先进,紧跟当前的技术发展热点,对学生了解最新的技术发展,开拓眼界与思路有着良好的示范效果。并且实验结果本身将传统实验测量仪器“口袋化”,可取代众多标准测试测量仪器,使得电子通信类硬件实验课的MOOCs以及翻转课堂,真正得以实现。
(3)实验内容
本实验综合性较强,软硬件协同设计,包含的知识点极为丰富,学生可学习多学科综合的知识和技能:系统在Xilinx Zynq®-7010 All Programmable SoC基础上构建而成。拥有高速双通道125Msps的信号采集和信号生成能力。除了高速信号处理功能,该系统还拥有数个速度较慢(约100KHz)的 I/O通道和多个数字 I/O。内容包括:
a、硬件平台了解;b、开发环境的搭建;c、异构双核处理器ARM Coretx-A9端的开发方法;d、异构双核处理器FPGA端高速处理算法开发方法;e、基于Web的应用开发方法;f、利用Matlab扩展应用的示例开发。
(4)实验效果
两路信号发生器界面及演示效果:


示波器演示效果:
以传统标准信号发生器做信号源,本平台同传统示波器同时测量被测信号的波形比较:

频谱仪演示效果:
传统实验室用频谱仪价格昂贵,教学实验室配置的较为少数,本平台可编程自定义为频谱分析仪,价格较传统仪器有极大的优势。

(5)学生反馈
该实验演示效果较好,学生兴趣浓厚,并且对学生的综合知识要求较高,可扩展性好。学生在完成该实验后,实验结果本身就一台测量仪器设备,从而可以带在身上完成其他诸如嵌入式系统相关课程的“移动学习”。学生在掌握相关知识的基础上,可扩展出许多创新性应用。
| 序号 | 实验项目(课程) | 面向专业 | 面向课程 | 主讲/辅导 | 项目来源 | 类别 |
| 1 | 信号发生实验 | 通信工程 电子工程 计算机 | 信号与系统实验、数字信号处理实验 | 赵毅峰/高志斌,冯超 | 教师自主研发/企业合作研发 | 仪器共享/远程共享(网络资源共享)/软件共享 |
| 2 | 采样及重构实验 | 通信工程、电子工程 计算机 | 信号与系统实验、数字信号处理实验 | 赵毅峰/高志斌,冯超 | 教师自主研发/企业合作研发 | 仪器共享/远程共享(网络资源共享)/软件共享 |
| 3 | 快速傅里叶变换实验 | 通信工程 电子工程 计算机 | 信号与系统实验、数字信号处理实验 | 赵毅峰/高志斌,冯超 | 教师自主研发 | 仪器共享/远程共享(网络资源共享)/软件共享 |
| 4 | 滤波器设计及实现实验 | 通信工程、电子工程 | 信号与系统实验、数字信号处理实验 | 赵毅峰/高志斌,冯超 | 教师自主研发 | 仪器共享/远程共享(网络资源共享)/软件共享 |
| 5 | 图像去雾实验 | 通信工程 | 随机信号分析实验 | 丁兴号/高志斌,冯超 | 教师自主研发 | 远程共享(网络资源共享)/软件共享 |
| 6 | 面向移动互联的用户可定制虚拟仪器平台 | 通信工程、电子工程、计算机 | 嵌入式系统、移动计算 | 冯超, 高志斌 | 教师自主研发 | 仪器共享 |
以下对列表中的每个虚拟仿真课程资源背景、虚拟仿真的特色、实验内容、实验效果和学生反馈做概括介绍。
按序号给出如下关于虚拟仿真实验的描述:
1、《信号发生实验》---- 实验地点:海韵园实验楼304
(1)实验项目介绍
该实验为仿真验证性实验。使学生掌握信号的基本概念,以MATLAB仿真为基础,并结合DDS信号源的直观认识,掌握信号发生的基本方法,相关仪器的使用,从而为后续课程打下基础。
MATLAB的图形数据可视化及符号运算功能,是信号可视化仿真的有力工具。MATLAB用两种方法来表示信号,一种是用向量的方法来表示信号,另一种则是利用符号运算的方法来表示信号。利用该工具绘制基本连续时间信号和离散时间信号,帮助学生初步建立起信号的概念。
在MATLAB虚拟仿真的基础上,硬件实验平台采用DDS信号源同DSP器件相结合的方式,信号选择灵活方便。信号观察则采用真实示波器跟虚拟仪器相结合。通过此节学习,学生能够进一步了解信号源的操作和使用。
(2)虚拟仿真特色和虚拟仿真手段达到的互动效果、程度
该实验虚实结合,以MATLAB仿真为基础,同时辅助以硬件实现。帮助学生实现完整的从理论到实际的知识体系结构,即了解了高级语言的编程方法,又掌握了相关硬件及测量仪器的使用,克服了以往单纯的MATLAB仿真,而缺乏实物认识的缺陷。
(3)实验内容
系统掌握利用MATLAB进行信号分析的基本方法、原理及实现过程。掌握绘制单位阶跃信号、实指数信号、单边指数衰减信号、正弦信号、复指数信号、虚指数信号等的连续和离散表示。
DDS信号源操作区示意图如图1所示:
![]() |
图1 信号源操作区示意图
信号源部分的各个元器件介绍:
J702: 波形选择开关(正弦波、三角波、方波、扫频、半波、全波)
K701: 信号输出选择开关,当开关置于“函数”位置时,输出三角波、正弦波、扫频、半波、全波等信号;当开关置于“脉冲”位置时,输出脉冲信号。
W701:信号幅度调节旋钮。
TP701:点频信号测量点。
TP702:函数信号输出测量点,信号默认的输出频率为2K。
SW704:点频输出选择,选择不同的组合,可以输出不同频率和占空比的脉冲,地址开关拨到上面为“1”,地址开关拨到下面为“0”。
| 1234(SW704选择开关) | F(频率) | 2/t(占空比) |
| 0101 | 3k | 1/2 |
| 0110 | 3k | 1/4 |
| 0111 | 3k | 1/8 |
| 1001 | 6k | 1/2 |
| 1010 | 6k | 1/4 |
| 1011 | 6k | 1/8 |
| 1101 | 12k | 1/2 |
| 1110 | 12k | 1/4 |
| 1111 | 12k | 1/8 |
S705: 频率和占空比“+\-”切换按钮:
I、 S705弹起时,按下频率调节按钮频率减小;
II 、S705按下时,按下频率调节按钮,频率增加;
III、S705弹起时,按下占空比调节按钮占空比减小;
IV、S705按下时,按下占空比调节按钮占空比增加。
S701、S702、S703:频率调节按钮;按一次S701按钮,输出信号频率增加或减小100Hz,按一次S702按钮,输出信号频率增加或减小1KHz,按一次S703按钮,输出信号频率增加或减小10KHz ;
S704: 占空比调节按钮,输出信号默认占空比为1/2,每按一次此按钮占空比增加或减小1/8,最小占空比为1/8。
P101: 模拟信号和毫伏表测量输入插孔,做实验时需把它同P702相连,此时可测得输出信号有效值,也可把外加信号送至此插孔测量其有效值。
DSP波形产生原理框图如下图所示:
1按下电源按钮K101,此时K101内的指示灯亮起;
2.按下复位按钮SW702,DSP复位,此时程序号显示数码管显示“0”;
3.按下SW701按钮,选择程序号为“1”;
4.分别将K801、K802置于左侧;
5. 按下SW101按钮选择DSP工作的程序,当程序号模块显示“7”时,即可以进行虚拟仪表实验;
6. 运行虚拟仪表.exe,进入“虚拟仪表实验平台”;
7. 连接P702和P101将脉冲信号送入DSP模块;
8. 在“虚拟仪表实验平台”上点击“采集信号”按钮,此时输入信号将显示在虚拟仪表实验平台上。
9. 调节输入信号频率和幅度观察,虚拟仪表实验平台上的信号变化。
10.将输入信号经过一阶RC电路后,送入DSP模块;
用示波器和虚拟仪表分别测量正弦函数信号、指数函数信号、指数衰减振荡函数信号、抽样函数信号、钟形函数信号的波形。
(4)实验效果
MATLAB仿真的信号波形可以很直观的观察







在虚拟仪表界面的左边是测量的信号波形,横坐标为时间(单位为毫秒),纵坐标为信号的幅度(单位为伏特)

图2 输入方波信号

图3 信号通过一阶RC电路输出波形
(5)学生反馈
通过实验,学生学到了更多理论课上不能学到的知识及技能,实验动手能力也得到了进一步地提高,在实验过程中也培养了我良好的实验素养,能够按照规范的流程使用仪器。遇到困难也会根据自己所学的理论知识寻找解决方法。
2、《采样及重构实验》---- 实验地点:海韵园实验楼304
(1)实验项目介绍
在许多应用中,需要把现实世界的模拟信号,经过采样和量化运算(ADC)变成离散信号。离散时间信号经过数字信号处理器处理后,再通过重构运算(DAC)恢复出模拟信号。这一过程的理论基础是奈奎斯特采样定理。实验采用MATLAB仿真帮助学生理解数学理论,并通过实际的抽样电路帮助学生更清晰的了解采样及重构的整个硬件实现过程。
(2)虚拟仿真特色和虚拟仿真手段达到的互动效果、程度
MATLAB作为数学运算工具可以很方便的对抽样定理的数学理论进行仿真,学生可以随时随地编写程序验证,不受时间空间限制。仿真为基础,同时辅助以硬件实现,对实际的抽样信号也有了直观的理解,并通过设置不同的采样频率,观察重构信号,从而更加深刻的理解奈奎斯特抽样定理。
(3)实验内容
将连续信号用周期性矩形脉冲抽样而得到抽样信号,可通过抽样器来实现,实验原理电路如图4所示。
![]() |
2. 连续周期信号经周期矩形脉冲抽样后,抽样信号的频谱
它包含了原信号频谱以及重复周期为fs(f s =
以三角波被矩形脉冲抽样为例。三角波的频谱
F(jω)=
抽样信号的频谱
Fs(jω)=

式中
取三角波的有效带宽为3
![]() |

图5 抽样信号频谱图
如果离散信号是由周期连续信号抽样而得,则其频谱的测量与周期连续信号方法相同,但应注意频谱的周期性延拓。
3. 抽样信号在一定条件下可以恢复出原信号,其条件是fs≥2Bf,其中fs为抽样频率,Bf为原信号占有频带宽度。由于抽样信号频谱是原信号频谱的周期性延拓,因此,只要通过一截止频率为fc(fm≤fc≤fs-fm,fm是原信号频谱中的最高频率)的低通滤波器就能恢复出原信号。
如果fs<2Bf,则抽样信号的频谱将出现混迭,此时将无法通过低通滤波器获得原信号。

在实际信号中,仅含有有限频率成分的信号是极少的,大多数信号的频率成分是无限的,并且实际低通滤波器在截止频率附近频率特性曲线不够陡峭(如图6所示),若使fs=2Bf,fc=fm=Bf,恢复出的信号难免有失真。为了减小失真,应将抽样频率fs取高(fs>2Bf),低通滤波器满足fm<fc<fs-fm。
为了防止原信号的频带过宽而造成抽样后频谱混迭,实验中常采用前置低通滤波器滤除高频分量,如图7所示。若实验中选用原信号频带较窄,则不必设置前置低通滤波器。
本实验采用有源低通滤波器。若给定截止频率fc,并取Q=(为避免幅频特性出现峰值),R1=R2=R,则:
C1=
C2=


图7 信号抽样流程图
(4)实验效果
信号采样MATLAB仿真:

欠采样状态

过采样状态

临界状态
信号重构MATLAB仿真:

过采样状态

临界采样状态

欠采样状态
(5)学生反馈
通过实验,学生学到了更多理论课上不能学到的知识及技能,实验动手能力也得到了进一步地提高,在实验过程中也培养了我良好的实验素养,能够按照规范的流程使用仪器。遇到困难也会根据自己所学的理论知识寻找解决方法。
3、《快速傅里叶变换实验》---- 实验地点:海韵园实验楼304
(1)实验项目介绍
快速傅里叶变换(FFT)并不是一种新的变换,而只是DFT的一种快速算法。有限长度序列的DFT实现了对序列傅里叶变换的频率域采样,从而实现了信号在频域的离散化。DFT在信号的频谱分析中有着重要的作用。但是,由于直接计算DFT的计算量太大,与变换区间的长度N的平方成正比,当N较大时,计算量太大,在FFT出现以前,直接用DFT算法进行频谱分析和信号的实时处理是不切实际的。而FFT的出现改变了这一问题,使得频谱分析真正得到应用。
(2)虚拟仿真特色和虚拟仿真手段达到的互动效果、程度
运用MATLAB分析DFT及FFT,比较快速算法的计算量,自行编写FFT算法,同MATLAB自带的FFT函数进行比较。同时,由于FFT是实践性很强的算法工具,所以仅仅用仿真理解算法的数学基础是不够的,利用DSP处理器实现FFT是本实验的另外一个部分。学生在完成实验后,对基础数学理论有了理解,并具备了工程应用的能力。
(3)实验内容
FFT的原理和参数生成公式

由于我们在计算DFT时,一次复数乘法需要用四次实数乘法和两次实数加法,一次复数加法则需两次实数加法。每运算一个X(k)需要4N次复数乘法及2N+2(N-1)=2(2N-1)次实数加法。所以整个DFT运算总共需要4N^2次实数乘法和N*2(2N-1)=2N(2N-1)次实数加法。当N很大时,运算量是很巨大的,因而需要改进对DFT算法的运算速度。
根据傅里叶变换的对称性和周期性,我们可以将DFT运算中有些项进行合并。先设序列长度为N=2^L,L为整数。将N=2^L的序列x(n)(n=0,1,……,N-1),按N的奇偶分成两组,也就是说我们将一个N点的DFT分解成两个N/2点的DFT,他们又从新组合成一个如下式所表达的N点DFT:

利用这种方法,我们可以划分FFT的大小。程序流程图如下:

MATLAB仿真图形如下:

输入时域波形

输入频域波形
利用DSP处理器开发工具CCS的仿真功能,我们可以观察FFT波形:
输入时域波形:

输入信号频谱:

(4)实验效果
经过实验,学生不仅掌握了DFT及FFT的数学基础,并能运用到工程实际引用当中。
(5)学生反馈
通过实验,学生学到了更多理论课上不能学到的知识及技能,实验动手能力也得到了进一步地提高,在实验过程中也培养了我良好的实验素养,能够按照规范的流程使用仪器。遇到困难也会根据自己所学的理论知识寻找解决方法。
4、《滤波器设计及实现实验》---- 实验地点:海韵园实验楼304
(1)实验项目介绍
在对信号进行传输、检测及估计等过程中,都要广泛的使用滤波器。滤波器的作用就是把输入信号通过一定的运算变换成输出信号。本实验设计帮助学生熟悉滤波器的构成及其特性;学会测量滤波器幅频特性的方法。并掌握数字滤波器的指标确定及MATLAB下的设计方法。
(2)虚拟仿真特色和虚拟仿真手段达到的互动效果、程度
滤波器是一种能使有用频率信号通过而同时抑制(或大为衰减)无用频率信号的电子装置。工程上常用它作信号处理、数据传送和抑制干扰等。这里主要是讨论模拟滤波器。以往这种滤波电路主要采用无源元件R、L和C组成,随着集成运放获得了迅速发展,由它和R、C组成的有源滤波电路,具有不用电感、体积小、重量轻等优点。此外,由于集成运放的开环电压增益和输入阻抗均很高,输出阻抗又低,构 成有源滤波电路后还具有一定的电压放大和缓冲作用。但是,集成运放的带宽有限,所以目前有源滤波电路工作频率难以做得很高,这是它的不足之处。随着数字滤 波器的出现,滤波器的性能大大提高。系统的单位冲击响应h(n)能够从时域表征系统的特性。将数字滤波器按其h(n)的时间特性进行分类,可分为无限长脉冲响应数字滤波器(IIR数字滤波器)和有限长脉冲响应数字滤波器(FIR数字滤波器)。
(3)实验内容
模拟滤波器:
滤波电路的一般结构如下图所示。图中的
假设滤波器是一个线形时不变网络,则在复频域内有
A(s)=Vo(s)/Vi(s)
![]() |
式中A(s)是滤波电路的电压传递函数,一般为复数。对于实际频率来说(s=jω)则有:
A(jω)=│A(jω)│ejφ(ω) 3-1
这里│A(jω)│为传递函数的模,φ(ω)为其相位角。
此外,在滤波电路中关心的另一个量是时延τ(ω)
通常用幅频响应来表征一个滤波电路的特性,欲使信号通过滤波器的失真很小,则相位和时延响应亦需考虑。当相位响应φ(ω)作线性变化,即时延响应τ(ω)为常数时,输出信号才可能避免失真。
2.滤波电路的分类
对于幅频响应,通常把能够通过的信号频率范围定义为通带,而把受阻或衰减的信号频率范围称为阻带,通带和阻带的界限频率称为截止频率。
理想滤波电路在通带内应具有零衰减的幅频响应和线性的相位响应,而在阻带内应具有无限大的幅度衰减(│A(jω)│=0)。通常通带和阻带的相互位置不同,滤波电路通常可分为以下几类:
低通滤波电路:其幅频响应如图3-2(a)所示,图中A0表示低频增益│A│增益的幅值。由图可知,它的功能是通过从零到某一截止角频率
高通滤波电路:其幅频响应如图3-2(b)所示,由图可以看到,在0<ω<
带通滤波电路:其幅频响应如图3-2(c)所示,图中
带阻滤波电路:其幅频响应如图3-2(d)所示,由图可知,它有两个通带:在0<ω<
带阻滤波电路抑制频带中点所在角频率
![]() |
图3-2 各种滤波电路的幅频响应
(a)低通滤波电路(LPF) (b)高通滤波电路(HPF)
(c)带通滤波电路(BPF) (d)带阻滤波电路(BEF)

无源低通滤波器

有源低通滤波器

高通无源滤波器

高通有源滤波器

带通无源滤波器

带通有源滤波器

带阻无源滤波器

带阻有源滤波器
数字滤波器:
在MATLAB下掌握数字滤波器的设计步骤:
A、 在设计之前,根据用途决定技术指标要求
B、 一旦技术要求确定之后,根据已学过的各种概念和数学工具提供一种滤波器的表述,使它接近于技术要求
C、 完成滤波器的设计
FIR数字滤波器的参数生成公式:
N阶有限冲击响应滤波器(FIR):

IIR数字滤波器的设计方法有两类:间接设计法和直接设计法。间接设计法是借助模拟滤波器设计方法进行设计的,先根据数字滤波器设计指标设计相应的过渡模拟滤波器,再将过渡模拟滤波器转换为数字滤波器。直接设计法师在时域或频域直接设计数字滤波器。
由 于模拟滤波器设计理论非常成熟,而且有很多性能优良的典型滤波器可供选择(如,巴特沃斯滤波器、切比雪夫滤波器、椭圆滤波器等),设计公式和图表完善,而 且许多实际应用需要模拟滤波器的数字仿真,所以间接设计法得到广泛的应用。而直接设计法要求解联立方程组,必须采用计算机辅助设计。在计算机普及的今天, 各种设计方法都有现成的设计程序(或设计函数)可供调用,例如利用MATLAB仿真平台,可以设计不同类型的IIR滤波器。
(4)实验效果
MATLAB下的数字滤波器设计工具:

DSP处理器开发工具CCS仿真结果:

输入时域波形

输入频域波形

滤波器输出时域波形

滤波器输出频域波形
(5)学生反馈
经过软硬结合实验,学生不仅能够掌握数字滤波器MATLAB仿真的设计方法,并能将设计好的滤波器加以实现,通过直观感觉确定滤波器的滤波性能。
5、《图像去雾实验》---- 实验地点:海韵园实验楼304
(1)实验项目介绍
伴随着人类工业化进程的不断推进,空气污染越来越严重,特别是雾霾天气在一年中所占的比例在逐年上升。雾霾天气往往给人类的生活带来诸多不便,而数字图像处理技术的发展使得雾天图像清晰化变得更加的有意义。本实验采用最常用的直方图优化技术进行图像去雾。
(2)虚拟仿真特色和虚拟仿真手段达到的互动效果、程度
图像去雾技术有着广泛的应用前景。MATLAB虚拟仿真的实验手段使得学生学习该技术时,更加的灵活自主,不受时空限制,能够充分发挥主观能动性,发掘新的算法所带来的更加的去雾效果。
(3)实验内容
本实验采用全局直方图均衡化、局部直方图均衡化算法来进行图像去雾实验,并选择Retinex增强算法来作为直方图去雾算法的延伸。并采用GUI设计软件通过菜单选择关联不同的去雾算法。通过显示处理前后的图像直方图来进行去雾效果的对比。
MATLAB通过函数imread读取RGB图像,并通过维数m*n*3的矩阵来表示。其中,m*n表示图像的行数、列数信息。维数3表示图像的R、G、B三层通道数据。全局直方图处理通过对RGB图像的R、G、B三层通道分别进行直方图均衡化,再整合到新的图像的方式来进行。
全局直方图均衡化增强只是将原图像的直方图进行了均衡化,未能有效保持原始图像的局部特征,容易出现色彩失真问题。通过选择固定尺寸的滑动窗口作用于原始图像来进行局部直方图处理,可以在一定程度上保持原始图像的局部特征,提高图像增强的效果。Retinex图像增强算法可以平衡图像灰度动态范围压缩、图像增强和图像颜色恒常三个指标,能够实现对含雾图像的自适应增强。
(4)实验效果
通过实验,学生进一步掌握MATLAB进行数字图像处理仿真的使用方法,GUI界面的设计和交互方法,了解和掌握图像去雾的基本原理和实现方法

Retinex算法去雾

直方图对比
(5)学生反馈
由于能够更加直观的看到虚拟仿真的结果,学生学习热情更加高涨,不断迸发出新的想法并将其加以实现和应用
6、《面向移动互联的用户可定制虚拟仪器平台》----实验地点:海韵园实验楼304
(1)实验项目介绍
随着MOOCs以及翻转课堂的逐步推进,传统的实验室仪器已无法满足学生实验条件便携化、口袋化、随时随地做实验的需求。而“互联网+”的行业发展趋势使得解决这一问题成为可能。
本项目创新性的利用互联网技术、异构多核嵌入式技术,借助开源软硬件平台,设计开发了一套基于Zynq处理器的面向移动Web应用的可编程,可自定义多种仪器综合集成的虚拟平台。该平台仅信用卡大小,可利用Wifi无线连接Android或iOS移动终端,实现测量数据及图形的Web可视化。该平台包含示波器、频谱分析仪及信号发生器,并支持Matlab,LabView,Python和Scilab等编程扩展,从而实现软件无线电等更多应用。
相对于传统仪器,该平台功耗低、体积小,同常用的手机、平板、笔记本电脑配合及可完成波形测量、频谱测量、信号发生等实验室常用设备的功能,实现实验室测量仪器的“口袋化”,同“口袋实验板”相配合,从而方便学生随时随地实验,真正做到“移动实验室”
(2)虚拟仿真特色和虚拟仿真手段达到的互动效果、程度
实验内容先进,紧跟当前的技术发展热点,对学生了解最新的技术发展,开拓眼界与思路有着良好的示范效果。并且实验结果本身将传统实验测量仪器“口袋化”,可取代众多标准测试测量仪器,使得电子通信类硬件实验课的MOOCs以及翻转课堂,真正得以实现。
(3)实验内容
本实验综合性较强,软硬件协同设计,包含的知识点极为丰富,学生可学习多学科综合的知识和技能:系统在Xilinx Zynq®-7010 All Programmable SoC基础上构建而成。拥有高速双通道125Msps的信号采集和信号生成能力。除了高速信号处理功能,该系统还拥有数个速度较慢(约100KHz)的 I/O通道和多个数字 I/O。内容包括:
a、硬件平台了解;b、开发环境的搭建;c、异构双核处理器ARM Coretx-A9端的开发方法;d、异构双核处理器FPGA端高速处理算法开发方法;e、基于Web的应用开发方法;f、利用Matlab扩展应用的示例开发。
(4)实验效果
两路信号发生器界面及演示效果:


示波器演示效果:
以传统标准信号发生器做信号源,本平台同传统示波器同时测量被测信号的波形比较:

频谱仪演示效果:
传统实验室用频谱仪价格昂贵,教学实验室配置的较为少数,本平台可编程自定义为频谱分析仪,价格较传统仪器有极大的优势。

(5)学生反馈
该实验演示效果较好,学生兴趣浓厚,并且对学生的综合知识要求较高,可扩展性好。学生在完成该实验后,实验结果本身就一台测量仪器设备,从而可以带在身上完成其他诸如嵌入式系统相关课程的“移动学习”。学生在掌握相关知识的基础上,可扩展出许多创新性应用。
友情链接






