数字电子线路实验-(N-1/2)分频器
时间:2024-04-28 来源:未知
责任编辑:wyx 点击: 次
数字电路实验:(N-1/2)分频器
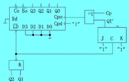
使用74193搭接N-1/2分频电路。
按图搭接电路,用函数信号发生器的TTL信号(f=100kHz)作时钟Cp,用双踪示波器观察并记录Cp、Cpu、Q0、Q1、Q2、Q3、QT’、LD’的工作波形。
友情链接
数字电路实验:(N-1/2)分频器
使用74193搭接N-1/2分频电路。
按图搭接电路,用函数信号发生器的TTL信号(f=100kHz)作时钟Cp,用双踪示波器观察并记录Cp、Cpu、Q0、Q1、Q2、Q3、QT’、LD’的工作波形。